Single Line Diagram Of House Wiring
A house wiring diagram is a wiring diagram for any electric circuit in your home which is drawn most directly so that it can easily guide the electrician or yourself in case needed. Circuits a regular house usually has at least 5 circuits.

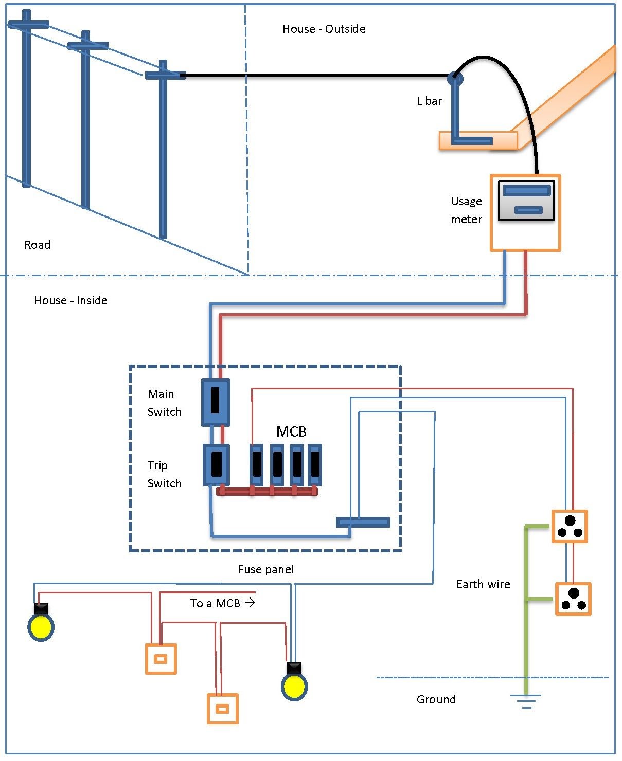
Single Line Diagram Electrical House Wiring Throughout For On Single Line Diagram For House
A house wiring diagram is thus, a wiring diagram of a house.

Single line diagram of house wiring. The house wiring diagram shows us how these components will connect or connect with the house's main switch or power supply. Home wiring diagrams from an actual set of plans. This electrical wiring project is a two story home with a split electrical service which gives the owner the ability to install a private electrical utility meter and charge a renter for their.
Regal 17 ee700 wiring diagram wiring diagram tutorial. Wiring and circuit diagrams use special symbols recognized by everyone who uses the drawings. This electrical wiring project is a two story home with a split electrical service which gives the owner the ability to install a private electrical utility meter and charge a renter for their electrical usage.
Single line diagram electrical house wiring house wiring diagram of a typical circuit electrician describes a typical home electrical circuit in detail using a basic house wiring diagram it shows the way connections are made in electrical boxes. A wiring diagram usually gives information about the relative position and arrangement of devices and terminals on the devices, to help in building or servicing the device. Electrical installation of a house wiring diagram everything you need to single line diagrams types example and how make read c commercial design verification software free online app simple elementary ats system ladder schematic star ecoline with cm rc 01 introduction editable examples electricaldm what is an.
The symbols on the drawings show how components like resistors, capacitors, inductors, switches, lamps, acoustic devices, measuring devices and other electrical and electronic components are connected together. The top end usually corresponds to the start of the scheme. A wiring diagram is a pictorial representation of an electric circuit, where the elements of the loop and the signal connections between devices and the power source are shown in the conventional methods as simplified shapes.
A diagram which shows, by means of single lines and graphic symbols, the course of an electric circuit or system of circuits and the component devices or parts used therein. These wiring diagrams depict various measurements, symbols, or marks, making us quickly analyze the plan and execute it. Pin on doe het zelf.
Home electrical wiring electrical wiring diagram house wiring Circuit diagram tool free download and try: Ladder diagram schematic wiring electrical academia.
You can save this graphic file to your own laptop. The picture below shows what a common home wiring diagram looks like: Single line diagram 110 kv olympic substation single line diagram line diagram single line.
2015 chevy spark engine diagram. A house wiring diagram is a wiring diagram for any electric circuit in your home which is drawn.

Single Phase House Wiring Diagram Pdf

Single Line Diagram Electrical House Wiring

single phase Line wiring Installation In House Single Phase Line Earthbondhon YouTube

Single Line Diagram For House Wiring School Cool Electrical

Single Line Diagram Electrical House Wiring

Single Gfci Outlet Wiring Diagram Top Home Wiring Diagram Single Phase House Residential

Complete Electrical House Wiring / Single Phase Full House Wiring Diagram / Part 1 YouTube

Single Line Diagram Electrical House Wiring Single line diagram, House wiring, Line diagram

Electrical Single Line Diagram software Best Of 47 Awesome Residential Wiring Installation

SINGLELINE DIAGRAM HOW TO REPRESENT THE ELECTRICAL INSTALLATION OF A HOUSE Stacbond

16 Simple House Wiring Diagram Pdf Technique bacamajalah in 2020 Electrical wiring

Single Phase House Wiring Diagram flilpfloppinthrough

Single Line Diagram Electrical House Wiring
18 Brilliant Electrical Wiring Single Line Diagram Photos Tone Tastic
Single Line Diagram House Wiring School Cool Electrical

Electrical Wiring Single Line Diagram Creative Single Line Diagram, House Wiring Concer, Stuning

Home Electrical Wiring Basics Download Perfect Distribution Board Wiring, Single Phase


