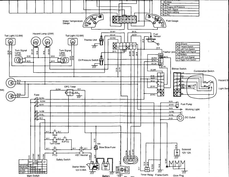
Kubota Bx2200 Starter Wiring Diagram
If that dosen't produce results, directly contact the american corporate office of kubota. Start with sales and if that is a bust, contact the engineering depar.

Kubota Tractor Starter Wiring Diagrams Wiring Diagram
Kubota bx2200 starter wiring diagram / kubota bx2200 wiring diagram.

Kubota bx2200 starter wiring diagram. Kubota bx2200 wiring diagram by mamah mudah 30 may, 2020 kubota bx2200 manual pdf. It's possible the bx2200 doesn't have the safety switch on the hst pedal. 110500 fuel camshaft and governor shaft.
When you make use of your finger or perhaps stick to the circuit with your eyes it may be easy to mistrace the circuit. Setiap artikel dibahas secara lengkap dengan penyajian bahasa yang ringan dimengerti bagi orang awam sekalipun. 010100 camshaft and idle gear shaft.
It was probably added on the bx2230/bx23's. Kubota bx2200 wiring diagram.nov 17 maintenance wiring diagrams. I was looking at the wsm for the bx23 and it shows that the start wire (bw) leaves the key switch, goes through the pto switch then the gear select switch through the hst neutral switch then to the starter solenoid terminal.
010500 fuel camshaft and governor shaft. Orangetractortalks brings together kubota enthusiasts from around the world, into one place. Bx2200 electrical wiring diagram fuel solenoid issue starting issues glow plug starter tractorbynet kubota tractor diagrams car grasper lawn mower parts will not run my forum for bx25 gremlins neutral safety switch bx1800 work bx23 a nice little mlb page 4 b1700 won t start orangetractortalks zd21 no 2003 bx22 had deck on l225 fuses dash.
I have a bx2200 that i bought new at the end of 2000. Click to download kubota bx bx tractor full service repair manual. But after looking at it and thinking about yours.
Amounts shown in italicized text are for items listed in currency other than canadian dollars and are approximate conversions to canadian dollars based upon bloomberg's conversion Kubota gf1800 gf1800e lawn tractor maintenance manual pdf kubota gf1800 gf1800e lawn tractor service repair manual kubota gf1800 gf1800e lawn tractor wiring diagram workshop repair manual download kubota gf1800 gf1800e lawn tractor in format pdf with repair procedures and electrical wiring diagrams for instant download. Kubota bx 2 7 hd quick attach attachment bxattachments com kubota attachment receiver hitch.
Itulah sebabnya web ini banyak diminati para blogger dan pembaca online. Instead of trying to be clever searching the internet and wasting time on endless dead ends, contact your local dealer. Wiring diagram for bx on my model its on the side opposite the fuel cap.
Each part ought to be placed and connected with other parts in specific manner. A visual inspection of the wiring from the battery to the starter reveals nothing. 1 trick that i actually 2 to printing a similar wiring diagram.
A wiring diagram is a simplified conventional photographic depiction of an electrical circuit. If not, the structure won't work as it should be. Workshop service manual (wsm) for the kubota bx & bx compact tractor.
Find solutions to your kubota bx wiring diagram question. We are the largest online community of kubota tractor and equipment owners. Ripped off the only way i know of it purchase from your kubota dealer.
Kubota g4200 wiring & switch diagram.pdf · burt8810 · may 31, 2020. I am looking for the wiring circuit diagram to see what other component is in the line. Kubota bx2200 tractor workshop manual.

Kubota Bx2200 Starter Wiring Diagram Wiring Diagram

Kubota Tractor Electrical Wiring Diagrams Wiring Forums

[DIAGRAM] B2320 Kubota Tractor Wiring Diagrams FULL
Kubota Bx2200 Starter Wiring Diagram Professional
Kubota Tractor Starter Wiring Diagram Wiring Diagram and

Kubota Bx2200 Starter Wiring Diagram Wiring Diagram

Kubota Bx2200 Starter Wiring Diagram Wiring Diagram
Kubota Bx2200 Starter Wiring Diagram Best Kubota F2400
Kubota Tractor Starter Wiring Diagram Style Guru

Kubota Bx2200 Starter Wiring Diagram Nice Starter Wiring
11 Perfect Kubota Bx2200 Starter Wiring Diagram Solutions
Kubota Bx2200 Starter Wiring Diagram Wiring Diagram
Kubota Dynamo Wiring Diagram Wiring Diagram

12+ Kubota Zd21 Parts Manual Pdf New Server

Kubota Bx2200 Starter Wiring Diagram Wiring Diagram
Kubota Bx2200 Starter Wiring Diagram Top 1978 Fairmont

Kubota Bx2200 Starter Wiring Diagram Nice Wiring Diagram

